MGW12H 臺灣HIWIN滑塊 HIWIN導軌 臺灣上銀滑塊導軌
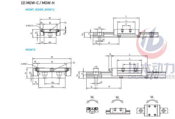
組件尺寸 | H | 14 | mm |
H1 | 3.4 | mm | |
N | 8 | mm | |
滑塊尺寸 | W | 40 | mm |
B | 28 | mm | |
B1 | 6 | mm | |
C | 28 | mm | |
L1 | 45.6 | mm | |
L | 60.4 | mm | |
G | - | mm | |
Gn | 1.4 | mm | |
MxL | M3*3.6 | mm | |
H2 | 2.8 | mm | |
導軌尺寸 | WR | 24 | mm |
WB | - | mm | |
HR | 8.5 | mm | |
D | 8 | mm | |
h | 4.5 | mm | |
d | 4.5 | mm | |
P | 40 | mm | |
E | 15 | mm | |
導軌的固定螺栓尺寸 | 導軌的固定螺栓尺寸 | M4*8 | mm |
基本動額定載荷 | C | 520 | kN |
基本靜額定載荷 | C0 | 840 | kN |
容許靜力矩 | MR | 10.47 | kN-m |
MP | 5.85 | kN-m | |
MY | 5.85 | kN-m | |
重量 | 滑塊 | 103 | g |
導軌 | 1.49 | kg/m |
TAG:list


